Close
Free HTML5 Bootstrap Template

About Me

Uni-World Enterprise Co.,Ltd.

持続性のある環境と、より安全で文化的な社会・地域の発展を

Search

    

MGS-400seriesMSA BACHARACH

Prev Next
Image
U W E

MGS-400series.

Uni-World Enterprise Co.,Ltd.

MGS-400ガス検出器シリーズ

MSA Bacharach(バカラック)のMGS-400ガス検出器は、冷凍庫、冷蔵庫、冷凍空調コンプレッサーが置かれた機械設備室などの冷媒ガスのリーク規制へのコンプライアンスを簡単に実現する、経済的なガス検出器・システムです。
MGS-400アプリ(App)を使用すると、特別なトレーニングやツールを必要とせずに、ガス検出システムを直感的に運用、試運転、保守できます。 工場で事前に校正されたセンサーモジュールを使えば、センサー交換を簡素化でき、校正ガスは不要です。
MGS-400は、別の場所に設置した追加の視聴覚アラームを動作させて単独のガス検知システムとして使用、またBMS/BASシステムやMGS-402/408型コントローラーに簡単に統合できます。




MGS-400ガス検出器シリーズの特徴

各種の安全規制に対応するガス検出器

① スマホアプリ(App)を使って、簡単に設定とメンテナンスが出来ます。特別なトレーニングやツールが不要です。
② シンプルで素早くセンサー交換ができます。ガス検出器を設置した場所で、校正済センサーに交換すれば、校正ガスも作業も不要です。
③ 誤報を軽減し検出精度を高める、温度補償付測定法を全センサーに採用しています。
④ デジタル出力とアナログ出力が、BMS(ビルマネジメントシステム)やBASビル自動化システム)と統合します。
⑤ アラーム(ブザー、ランプ)を検出器に内蔵していますので、各種安全規格(JRA 4068,ASHRAE 15やEN 378など)に適合します。
MGS-450クイックスタートガイド(2版)
(MGS-450クイックスタートガイドの内容は、MGS-410/MGS-460に共通です)
MGS-400ユーザーマニュアル(1-2)設置編  MGS-400ユーザーマニュアル(2-2)操作編
MGS-400シリーズAPP説明書
MGS-401エントランスモニター ユーザーマニアル

MGS-400ガス検出器シリーズは、防水(IP)仕様や出力仕様が異なるモデルがあります。詳細は、下の「MGS-400シリーズ機能・仕様比較」をご参照ください。





MGS-400ガス検出器シリーズ機能・仕様比較

MGS-400シリーズガス検出器機能・仕様比較



MGS-410
MGS-410型は、防水防塵規格(IP66)に適合した筐体を持つ、各種危険ガス検出器です。スマホアプリ(App)を使った、簡単なパラメーター設定・試運転・保守作業、校正済センサーへの交換、デジタル出力など、優れた機能を持っています。

MGS-450
MGS-450型ガス検出器には、IP66規格適合モデルとIP41規格適合モデルがあります。スマホアプリ(App)を使った、簡単なパラメーター設定・試運転・保守作業、校正済センサーへの交換、デジタル出力、リレー接点出力、アナログ出力など、優れた機能を持っています。

MGS-460
MGS-460型は、IP66規格に適合するセンサー分離型ガス検出器です。スマホアプリ(App)を使った、簡単なパラメーター設定・試運転・保守作業、校正済センサーへの交換、デジタル出力、リレー接点出力、アナログ出力など、優れた機能を持っています。


MGS-410,450,460シリーズの詳しい特徴、機能・仕様は、下の各PDFを参照ください。


MGS-410 仕様
MGS-450 仕様
MGS-460 仕様

MGS-410 MGS460リモートヘッドの寸法図
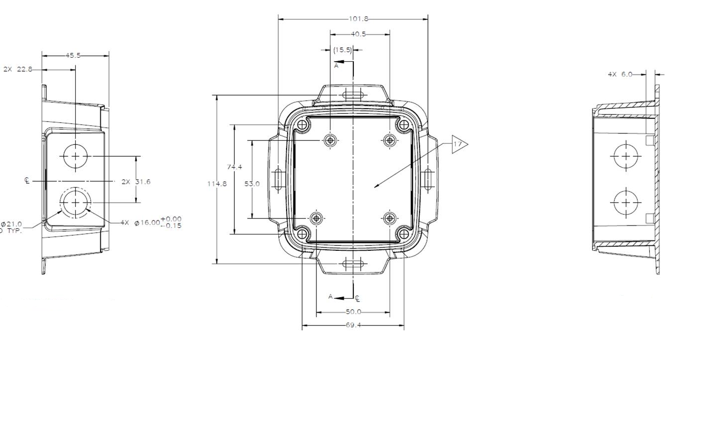
MGS-450 MGS-402 MGS-460ベースユニット部寸法図

MGS-400シリーズガス検出器は、BMS(ビル管理システム)やBAS(ビル自動化システム)に接続して、システムとして統合できます。また、MSA Bacharach社のMGS-408コントローラー、MGS-402コントローラー、MGS-401エントランスモニター(下のPDF,MGS-408, MGS-402およびMGS-401 の仕様を参照)に接続して、独立したガス漏れ監視システム、またMBSなど統合型制御・監視システムを構築できます。

MGS-408コントローラー仕様
MGS-402コントローラー仕様
MGS-401エントランスモニター仕様





MGS-400システムについて


MGS-400の校正について


MGS-400シリーズガス検出器ついて


MGS-408コントローラーについて


MGS-400のセンサーモジュール交換について


MGS401 エントランスモニターの製品知識




Uni-World Enterprise Co.,Ltd.

株式会社 U W E (ユー ダブリュー イー)は、人が安心して住める・働ける安全な環境をサポートする電子機器(ガス検出器) 人の心や身体のトラブルを早く回復、健康増進をサポートするアロマテラピーなどに使用する天然植物抽出エッセンシャルオイル(精油)を、輸入・販売します。
商品の販売、お問い合わせは下記まで
本社 電子機器事業部 info@uwe-jp.com   アロマ事業部 info@rimedio.co.jp